Simpro Pallet Trucks
Quiktruk SS Series
Quiktruck M25S is a food-grade pallet truck with 2500kg capacity and polished stainless-steel construction.
The Quiktruk SS Series is a range of stainless steel pallet jacks from Simpro, with lifting capacities up to 2500kg.
Featuring seamless welded construction and a polished finish, Quiktruk SS pallet jacks are both corrosion-resistant and very easy to clean. They are ideal for hygiene-critical applications in industries such as food processing, dairy, beverages, chemicals, pharmaceuticals and cold logistics.
All Quiktruks are equipped with a sealed, leakproof hydraulic jack and low-viscosity oil, allowing them to be used in extreme temperature environments, such as freezers and coolrooms.
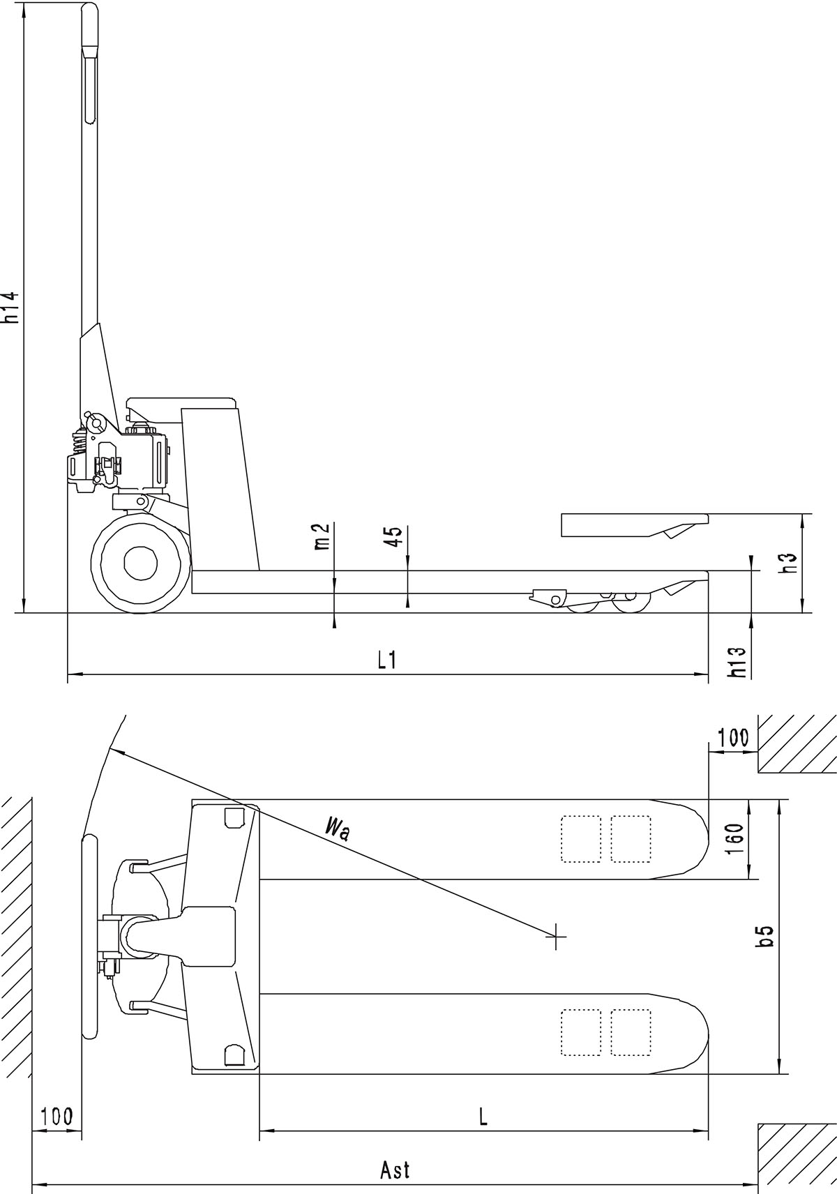
The lowered fork height of 85mm is suitable for most pallets and crates. Large nylon steered wheels and a lightweight design ensure the jacks are easy to move and very manoeuvrable, with a full turning radius of around 1.2 metres.
Optional trade-certified digital scales can be fitted.
The Quiktruk SS Series pallet jacks comply with a range of international standards including ISO 3691, and is manufactured in an ISO 9000 certified plant.
- Manual operation
- 304 stainless-steel construction with polished finish
- 2500kg standard load capacity
- 85 - 200mm fork travel
- 12 strokes on hydraulic jack to raise forks to maximum height
- Dual-mode pump (faster lifting up to 300kg)
- Sealed hydraulic system suitable for use in hygiene-critical areas
- CHEP 2-way compatible
- Fork dimensions 540 x 1150 x 85mm



